cubloc:mcp3202_12_bit_a_d_conversion:index
MCP3202 12 Bit A/D Converter
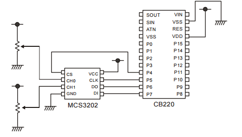
The Cubloc has a 10 bit A/D converter. For greater resolution, meaning greater precision, you can use a chip like the MCP3202. The MCP3202 is a 12 bit A/D converter that supports the SPI protocol. Here we will show you how to implement this 12 bit A/D converter into your project.
| Pin | Function | I/O Direction | Explanation |
|---|---|---|---|
| CS | Chip Select | Input | Low for data communication |
| CLK | Clock | Input | Clock signal |
| DI | Data Input | Input | Data input from MCP3202 |
| DO | Data Output | Output | Data output from MCP3202 |
Const Device = CB220 Const iodi = 7 Const iodo = 6 Const ioclk = 5 Const iocs = 4 Dim i As Byte Dim ad As Integer Do Low iocs i = &b1011 'Channel 0 'i = &b1111 'Channel 1 Shiftout ioclk,iodi,0,i,4 ad = Shiftin(ioclk,iodo,3,12) High iocs Debug Dec ad,cr Delay 100 Loop
The MCP3202 will convert voltage coming into CH0 and CH1 to a digital value and retain it. SPI communication can then be used to read the value from the MCP3202.
The voltage measured on the MCP320 CH0 and CH1 pins must not be greater than the voltage supplied to the MCP3202. The result of the A/D conversion is displayed in the debug window.
cubloc/mcp3202_12_bit_a_d_conversion/index.txt · Last modified: by 127.0.0.1
