cublocmsb:msb_uif_example:index
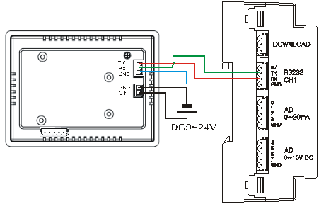
Connect to UIF-5K
The UIF-5K is a user interface product. It has an LCD display and 5 keys.
#include "MSB6XX" Opencom 1,115200,3,30,20 Set Uif 2,1 Cls Wait 200 Print 27,90,1 'BUZZER ON Clcdout 1,0,"UIF-5K WITH MSB"
Source Program
#include "MSB6XX" Opencom 1,115200,3,30,20 Set Uif 2,1 On Recv1 Gosub KEYIN_OCCUR Cls Wait 200 Print 27,90,1 'BUZZER ON Clcdout 1,0,"UIF-5K WITH MSB" Dim I As Integer Dim RX_KEY As Integer Do Incr I Clcdout 1,2,Dec I Wait 500 Loop ' Event for Key input KEYIN_OCCUR: RX_KEY = Get(1,1) Clcdout 10,2,Hex RX_KEY Return
cublocmsb/msb_uif_example/index.txt · Last modified: by admin
