faduino:input_output_connection:index
Table of Contents
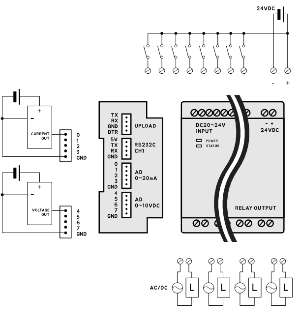
Input/Output Connection
For inputs keep voltage between 20~24VDC.
FA-DUINO-18TA
FA-DUINO-32TA
FA-DUINO-12RA / 24RA
faduino/input_output_connection/index.txt · Last modified: by 127.0.0.1
