faduino:interfacing_with_the_uif-5k:index
Table of Contents
Interfacing with the UIF-5K
The UIF-5K is a user interface panel with an character LCD and 5 input buttons that can be used with any RS-232 capable device, including the FADUINO.
Front Panel
<html><center></html>
<html></center></html>
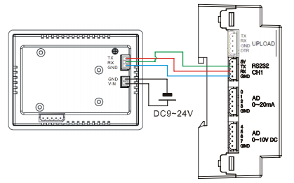
Rear Panel
Connecting the FA-DUINO-12RA / 24RA
Connecting the FA-DUINO-32TA
Example Program 1
void setup() { Serial1.begin(115200); // Baud Rate 115200 uif_clear(); // Clear the LCD screen delay(20); uif_buzzer(1); delay(20); // Buzzer ON uif_locate(0,0); Serial1.print("=== UIF 5K_TEST ===");delay(100); uif_locate(2,1); Serial1.print(" FA-DUINO-12RA "); delay(100); } void loop(){ } // Clear the LCD screen void uif_clear() { Serial1.write(0x1b); Serial1.write(0x43); } // Sets the x and y position of the character to be displayed void uif_locate(unsigned char x, unsigned char y) { Serial1.write(0x1b);Serial1.write(0x4C);Serial1.write(x); Serial1.write(y); } // Turn buzzer ON/OFF void uif_buzzer(unsigned char on_off) { Serial1.write(0x1b);Serial1.write(0x5a);Serial1.write(on_off); }
Example Program 2
void setup() { Serial1.begin(115200); // Baud rate 115200 uif_clear(); // Cleear the LCD screen delay(20); uif_light(1); delay(20); // Turn backlight ON/OFF uif_buzzer(1); delay(20); // Turn buzzer ON/OFF delay(100); uif_locate(0,0); Serial1.print("=== UIF 5K_TEST ===");delay(100); uif_locate(2,1); Serial1.print("comfiletech.com"); delay(100); uif_locate(2,2); Serial1.print("COUNTER : "); delay(100); uif_locate(2,3); Serial1.print("BUTTON : "); delay(100); } int cnt = 0; void loop() { cnt++; // Increment the counter value uif_locate(12,2); Serial1.print(cnt, DEC); // Display the counter value delay(100); serial1Event(); } void serial1Event() { // Display the button status while (Serial1.available()) { char inChar = (char)Serial1.read(); uif_locate(10,3); Serial1.print(inChar, DEC); } } // Turn cursor ON/OFF void uif_csron(unsigned char on_off) { if(on_off){Serial1.write(0x1b); Serial1.write(0x53);} else {Serial1.write(0x1b); Serial1.write(0x73);} } // Clear the entire screen void uif_clear() { Serial1.write(0x1b); Serial1.write(0x43); } // Turn display backlight ON/OFF void uif_light(unsigned char on_off) { Serial1.write(0x1b);Serial1.write(0x42);Serial1.write(0x4c); Serial1.write(on_off); } // Set the x,y position of the next character to display void uif_locate(unsigned char x, unsigned char y) { Serial1.write(0x1b);Serial1.write(0x4C);Serial1.write(x); Serial1.write(y); } // Turn main LED ON/OFF void uif_swled(unsigned char on_off) { Serial1.write(0x1b);Serial1.write(0x45);Serial1.write(on_off); } // Turn a button LED ON/OFF void uif_led(unsigned char number, unsigned char on_off) { Serial1.write(0x1b);Serial1.write(0x46);Serial1.write(number); Serial1.write(on_off); } //Turn Buzzer ON/OFF void uif_buzzer(unsigned char on_off) { Serial1.write(0x1b);Serial1.write(0x5a);Serial1.write(on_off); }
faduino/interfacing_with_the_uif-5k/index.txt · Last modified: by 127.0.0.1







