cubloc:cb220_320
Table of Contents
CB220/320
Pin description
| Pin | Name | I/O | Description |
|---|---|---|---|
| 1 | SOUT | OUT | DOWNLOAD SERIAL OUTPUT |
| 2 | SIN | IN | DOWNLOAD SERIAL INPUT |
| 3 | ATN | IN | DOWNLOAD SERIAL RESET (DTR) |
| 4 | VSS | POWER | GROUND |
| 5 | P0 | I/O | ADC0 / SPI SS |
| 6 | P1 | Input | ADC1 / SPI SCK |
| 7 | P2 | I/O | ADC2 / SPI MOSI |
| 8 | P3 | I/O | ADC3 / SPI MISO |
| 9 | P4 | I/O | ADC4 |
| 10 | P5 | I/O | PWM0 / ADC5 |
| 11 | P6 | I/O | PWM1 / ADC6 |
| 12 | P7 | I/O | PWM2 / ADC7 |
| 13 | P8 | I/O | CuNET SCL |
| 14 | P9 | I/O | CuNET SDA |
| 15 | P10 | I/O | RS232C Channel 1 RX |
| 16 | P11 | I/O | RS232C Channel 1 TX |
| 17 | P12 | I/O | |
| 18 | P13 | I/O | |
| 19 | P14 | I/O | High Counter Channel 0 |
| 20 | P15 | I/O | High Counter Channel 1 |
| 21 | VDD | I/O | 5V Output / Input |
| 22 | RES | IN | RESET input (Active Low) |
| 23 | VSS | IN | GROUND |
| 24 | VIN | IN | 5.5V~12V Input Power |
Spare I/O Pin
| Name | I/O | Desription |
|---|---|---|
| P18 | I/O | |
| P19 | I/O | PWM3 |
| P20 | I/O | PWM4 / INT0 |
| P21 | I/O | PWM5 / INT1 |
| P22 | I/O | INT2 |
| P23 | I/O | INT3 |
Additional Information
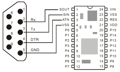
SIN, SOUT, ATN are RS-232 communication pins used to interface with a PC for downloading, debugging, monitoring, and serial communication. All Cubloc models have SOUT, SIN, and ATN pins and are connected to a DB-9 connector (PC serial port) as shown below.
Other pins are mostly I/O ports. The user may select which ports (pins) to use as INPUT or OUTPUT. When set to INPUT, the pin enters a high-impedance state; when set to OUTPUT, the pin either outputs logic-low or logic-high. The maximum current (source/sink) available from the output ports is 25mA. The user is free to choose which I/O ports he/she will use for which purpose (such as ADC, PWM, etc…).
cubloc/cb220_320.txt · Last modified: by 127.0.0.1

