Set RS485
Set RS485 channel, portNumber
| channel | RS-232 channel (1 to 3) |
| portNumber | Transmit enable port number |
RS485 allows you to link multiple Cublocs up to a distance of 1.2km. With RS485, there must be 1 master and the rest must be slave devices. You can use a chip such as the SN75176B or use an RS232 to RS485 converter module.
With RS485, transmitting and receiving data cannot occur simultaneously. RS485 is known for being stable under noisy conditions.
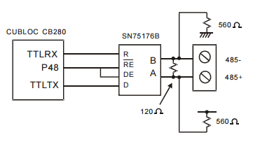
You can refer to the following circuit schematic for connecting TTL signals from a CB280 to the RS485 chip, SN75176B:
RS485 communication needs a “Transmit Enable” signal to control when the device is sending or receiving. There can only be one device transmitting while all the other devices are in receiving mode.
Example:
When the PC is transmitting, all the slave devices can only receive data.
The Set RS485 command allows the Cubloc or Cutouch to control the data line whenever it wants to send or receive data. While the data is being sent, the transmit enable pin will output active high. This will be done automatically by the Cubloc RTOS.
*NOTE: If you are using an RS232-to-RS485 converter and it supports automatic mode, then you don’t need to use this command.
Set RS485 1,48 ' Set P48 as the transmit enable pin
When using the Set RS485 command, the port chosen may not be used for other purposes.
Please refer to the diagram when connectingmultiple Cublocs or Cutouchs using RS485.
Please use a 120 Ohm terminating resistor for the device at the end.The two 560 Ohm pull-up and pull-down resistors are required for proper communication.
