User Tools

Site Tools


modularfaduino:cfdo16n

CFDO-16N

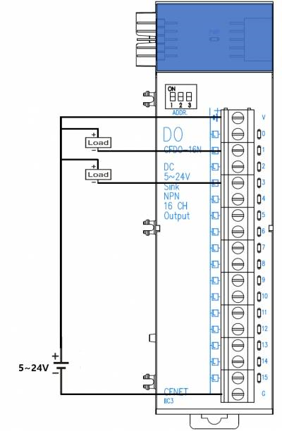
DC SINK output 16-point module, when turned on, the output is shorted to ground, and when turned off, it opens.

View at our online store.

Electrical specifications

  • Output Ports: 16
  • Output operating voltage: 5~27VDC
  • Maximum output current: 120mA / 1 point
  • Isolation: No isolation
  • Maximum on/off cycle: approximately 1kHz (1000 times per second)

Wiring method

Setting the module's address

  • Up to 8 CFDO-16Ns can be used in one system with different address settings of 0x00~0x07.
  • CFDO-16N shares an address with CFDO-8R module. In other words, addresses already in use by CFDO-8R cannot be used.

How to use the API

1. <html>

#include "CFMEGA.h"

</html> library registration

2. CFNET object creation: CFNET object name CFNET cfnet;

3. Call the function(s): Object name.digitalWrite();cfnet.digitalWrite(0, 0xffff);

-void digitalWrite(u8 address, u16 data)

Turns the output 16 ports of the specified address module into On and Off states with 16bit data values. (16bit write)

  • address: The address of the module as configured by its DIP switch (0~7)
  • data: On/Off value between 0x0000 and 0xFFFF (16bit)

-void digitalWrite(u8 address, u8 pin, u8 on_off)

Turns one port of the specified address module’s pin on or off. (1 bit write)

  • address: The address of the module as configured by its DIP switch (0~7)
  • pin: Pin index (0 ~ 15)
  • on_off: 0 or 1 (0=off, 1=on)
#include "CFMEGA.h"
CFNET cfnet;
 
void setup() {
 cfnet.digitalWrite(0, 0XFFFF); delay(1000);
 cfnet.digitalWrite(0, 0X0000); delay(1000);
}
 
void loop() {
 for(int i=0; i<16; i++){
 cfnet.digitalWrite(0, i, 1 );delay(100);
 }
 cfnet.digitalWrite(0, 0X0000); delay(1000);
}

Modular FADUINO

modularfaduino/cfdo16n.txt · Last modified: by 127.0.0.1