Keypad
Variable = Keypad (포트블록)
| Variable : 결과가 저장될 정수형 변수 |
| 포트블록 : 키입력받을 포트블록 |
대상제품
CUBLOC 코어모듈
MSB시리즈에서는 사용할 수 없음
설명
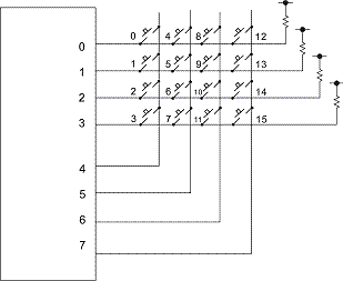
키 매트릭스 입력을 받을 수 있는 함수입니다. 하나의 포트 블록에 연결된최대 4 x 4 키 매트릭스의 입력 값을 읽어오게 됩니다. 포트 블록의 하위 4비트는 입력 포트로, 상위 4비트는 출력 포트로 사용합니다. 다음회로는 포트블록 0에 연결된 키 매트릭스의 회로입니다.
키를 누르면 해당 스캔코드를 리턴하고, 아무키도 눌려지지 않았으면 255를 리턴합니다.
주의 : 이 방식으로는 멀리 떨어진 곳의 키패드를 연결할 수 없습니다. 보드내 동일공간에 키패드를 연결할 경우에만 사용하십시오.
사용예
Dim A As Integer Wait 500 Do A = Keypad(0) Debug Dec A,cr Wait 500 Loop
