RS-232C HOWTO
A PC's RS-232 interface typically use +/-12V signals, while the CUBLOC's RS- 232 interface uses 5V signals. To avoid the need to make a separate circuit to convert the +/-12V signals from the PC to the 5V signals of the CUBLOC, and vise-versa, the CUBLOC was built with both a +/-12V RS-232 interface (channel 0 – the download port) and a 5V RS-232 interface (channel 1).
The +/-12V RS-232 interface (channel 0) is provided on pins 1 and 2. For the CB220/320 a 5V RS-232 interface id provided on pins 10 and 11.
For the CB280/380, RS-232 channel 1 can make use of either 5V or +/-12V signals, but the pins are different. For a 5V interface, use pins 49 and 50. For a +/12V interface use pins 33 and 34.
Downloading programs to the CUBLOC is very easy, since the PC's RS-232 interface can connect directly to pins 1 and 2 of the CUBLOC. For RS-422 and RS-485, 5V signals are provided on RS-232 channel 1.
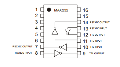
For the CB280, a +/-12V RS-232 interface is provided in addition to the 5V interface, but only one can be used at a time. The following shows a simple circuit diagram to convert a 12V RS-232 interface to a 5V RS-232 interface using a MAX232 chip.
NOTE: For capacitor values, please prefer those recommended in your MAX232 IC's datasheet.
The MAX232 is a very useful chip for converting between 5V and +/-12V RS-232 signals.
For the CB400, CB405, and CB405RT, see Using RS-232 on the CB400/405/405RT
